硬質塩化ビニル管用 分岐サドル 分岐サドルB型
AVS-2
- 適用管種:
- 硬質塩化ビニル管
- 呼び径:
- 75~250mm×50mm・75mm
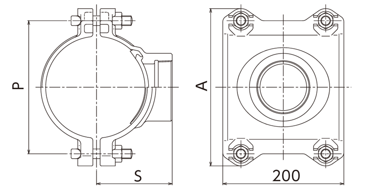
仕様
|
呼び径
|
P
|
A
|
S
|
質量
|
|---|---|---|---|---|
|
70×50
|
136
|
176
|
87
|
7.8
|
|
100×50
|
164
|
204
|
100
|
9.4
|
|
100×75
|
164
|
204
|
100
|
8.7
|
|
125×50
|
194
|
234
|
113
|
10.3
|
|
125×75
|
194
|
234
|
113
|
9.4
|
|
150×50
|
220
|
260
|
125
|
11.0
|
|
150×75
|
220
|
260
|
125
|
10.2
|
|
200×50
|
280
|
330
|
151
|
12.9
|
|
200×75
|
280
|
330
|
151
|
13.6
|
|
250×50
|
336
|
386
|
176
|
15.9
|
|
250×75
|
336
|
386
|
176
|
15.2
|
← スクロールでご確認頂けます →



