ダクタイル鋳鉄管(T形管)用 補強金具 既設管継手部補強金具T形管用

HKT ・ HKT2

既設管継手部補強金具T形管用
適用管種:
ダクタイル鋳鉄管
呼び径:
75~250mm

概要

既設管継手部補強金具T型管用は、既設のT形管の継手部に取付ける離脱防止金具で、
離脱防止力を向上させ、地震時の抜出しを防止する効果があります。

<型式について>

・HKT : 75~150mm  
・HKT2 : 200・250mm

類似製品との使い分け

  • K形の場合は既設管継手部補強金具K形管用をご使用ください。

特長

  • 既設T形管継手部の離脱防止力を3DkNに向上できます
  • 曲げ配管部(許容曲げ角度)にも取付けできます
  • 補強金具取付け後も管路の屈曲性能を保持できます

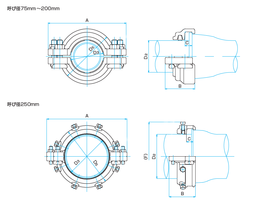
仕様

既設管継手部補強金具T形管用
呼び径
D2
D3
D5
A
B
C
T頭ボルト
押しボルト
型式
質量(kg)
75
93.0
99.0
172
239
98
24
4-M16×85
HKT
6.6
100
118.0
124.0
204
288
109
26
4-M20×90
HKT
9.7
150
169.0
175.0
260
348
119
30
4-M20×90
HKT
14.4
200
220.0
229.0
326
436
151
35
6-M20×90
HKT2
26.0
250
271.6
275.6
380
492
162
40
4-M20×90
8-M20×40
HKT2
33.4

← スクロールでご確認頂けます →

技術資料

関連製品