不断水分岐用 コスモバルブST型 コスモ耐震型ロックバルブ2型
RLKV2KU ・ RLKV2KS
- 適用管種:
- ダクタイル鋳鉄管
- 呼び径:
- 75~450mm×75~300mm・500mm×200mm
概要
本管から不断水で分岐連絡をしたい場合に使用する製品です。
製品全体で分岐・本管軸方向に3DkNの離脱防止力を有しています。
分岐形状は、K形受口とメカ挿し口です。
特長
- 製品全体で分岐・本管軸方向共に3DkNの離脱防止力を有しています。
- 割T字管とバルブの接合はコンパクトかつメタルタッチのため施工が容易です。
- バルブは水道用ソフトシール仕切弁(JWWA B 120 3種)に準じており、本バルブとして使用できます。
- 内外面共、腐食に強い粉体塗装です。
- 分岐形状はK形受口とメカ挿し口をラインナップしております。
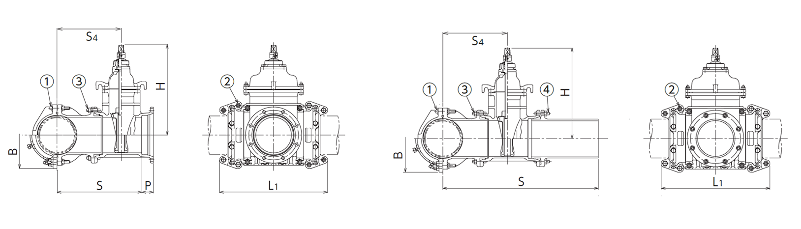
仕様
|
呼び径
|
L1
|
H
|
B
|
S
|
S4
|
P
|
①T頭ボルト
|
②ボルト
|
③T頭ボルト
|
④T頭ボルト
|
|---|---|---|---|---|---|---|---|---|---|---|
|
75×75
|
405
|
315
|
239
|
305
|
230
|
80
|
6-M16×85
|
T頭 8-M16×85
|
4-M16×65
|
4-M16×85
|
|
100×75
|
450
|
315
|
288
|
310
|
235
|
80
|
6-M20×100
|
T頭8-M20×90
|
4-M16×65
|
4-M16×85
|
|
100×100
|
450
|
355
|
288
|
335
|
245
|
80
|
6-M20×100
|
T頭 8-M20×90
|
4-M20×75
|
4-M20×90
|
|
150×75
|
520
|
315
|
348
|
335
|
260
|
80
|
6-M20×100
|
T頭 8-M20×90
|
4-M16×65
|
4-M16×85
|
|
150×100
|
520
|
355
|
348
|
355
|
265
|
80
|
6-M20×100
|
T頭 8-M20×90
|
4-M20×75
|
4-M20×90
|
|
150×150
|
520
|
445
|
348
|
390
|
280
|
80
|
6-M20×100
|
T頭 8-M20×90
|
6-M20×75
|
6-M20×90
|
|
200×200
|
626
|
540
|
416
|
520
|
395
|
80
|
8-M20×120
|
六角 8-M20×90
|
6-M20×75
|
6-M20×90
|
|
250×200
|
756
|
540
|
470
|
560
|
435
|
80
|
8-M20×120
|
六角 8-M20×85
|
6-M20×75
|
6-M20×90
|
|
250×250
|
756
|
630
|
470
|
595
|
450
|
80
|
8-M20×120
|
六角 8-M20×85
|
8-M20×75
|
8-M20×90
|
|
300×200
|
829
|
540
|
522
|
585
|
460
|
80
|
10-M20×120
|
六角 8-M20×85
|
6-M20×75
|
6-M20×90
|
|
300×250
|
829
|
630
|
522
|
625
|
480
|
80
|
10-M20×120
|
六角 8-M20×85
|
8-M20×75
|
8-M20×90
|
|
300×300
|
828
|
720
|
522
|
650
|
510
|
110
|
10-M20×120
|
六角 8-M20×85
|
8-M20×75
|
8-M20×100
|
|
350×200
|
838
|
540
|
572
|
620
|
495
|
80
|
10-M20×120
|
六角 8-M20×85
|
6-M20×75
|
6-M20×90
|
|
350×250
|
838
|
630
|
572
|
655
|
510
|
80
|
10-M20×120
|
六角 8-M20×85
|
8-M20×75
|
8-M20×90
|
|
350×300
|
838
|
720
|
572
|
675
|
536
|
110
|
10-M20×120
|
六角 8-M20×85
|
8-M20×75
|
8-M20×100
|
|
400×200
|
838
|
540
|
632
|
650
|
525
|
80
|
10-M20×120
|
六角 8-M20×85
|
6-M20×75
|
6-M20×90
|
|
400×250
|
838
|
630
|
632
|
685
|
540
|
80
|
10-M20×120
|
六角 8-M20×85
|
8-M20×75
|
8-M20×90
|
|
400×300
|
838
|
720
|
632
|
700
|
560
|
110
|
10-M20×120
|
六角 8-M20×85
|
8-M20×75
|
8-M20×90
|
|
450×200
|
838
|
540
|
685
|
670
|
545
|
80
|
10-M20×120
|
六角 8-M20×85
|
6-M20×75
|
6-M20×90
|
|
450×250
|
838
|
630
|
685
|
715
|
570
|
80
|
10-M20×120
|
六角 8-M20×85
|
8-M20×75
|
8-M20×90
|
|
450×300
|
838
|
720
|
685
|
735
|
595
|
110
|
10-M20×120
|
六角 8-M20×85
|
8-M20×75
|
8-M20×100
|
|
500×200
|
856
|
540
|
760
|
695
|
570
|
80
|
10-M20×120
|
六角 8-M24×100
|
6-M20×75
|
6-M20×90
|
← スクロールでご確認頂けます →



