概要
本管から不断水で分岐連絡をしたい場合に使用する製品です。
製品全体で分岐方向3DkNの離脱防止力を有しています。
S50形受口形状の不断水分岐バルブです。
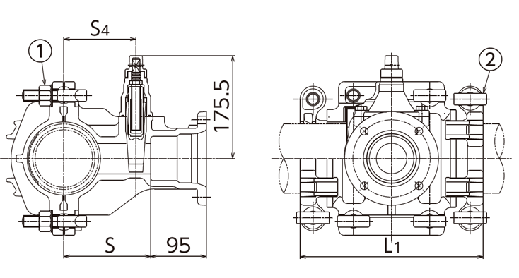
仕様
|
呼び径
|
S
|
S4
|
L1
|
①T頭ボルト・ナット
|
②T頭ボルト・ナット
|
|---|---|---|---|---|---|
|
75×S50
|
135
|
110
|
218
|
4-M16×85
|
4-M16×85
|
|
100×S50
|
148
|
123
|
220
|
4-M20×90
|
4-M20×100
|
|
150×S50
|
174
|
149
|
228
|
4-M20×90
|
4-M20 ×100
|
|
200×S50
|
200
|
175
|
230
|
4-M20×90
|
4-M20×110
|
← スクロールでご確認頂けます →
※①:合金ボルト ②:酸化被膜ボルト
技術資料
- 組立図
- 75~200mm×50mm
- 取扱説明書
- 75~200mm×50mm



