概要
本管から不断水で分岐連絡をしたい場合に使用する製品です。
製品全体で分岐方向3DkNの離脱防止力を有しています。(耐震型のみ)
浅層埋設にも対応しています。(回転式簡易弁を採用しバルブ高が低い)
【ラインナップ】
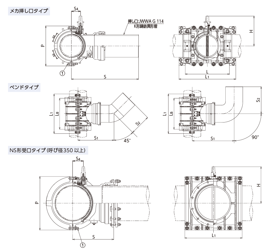
呼び径 200 ~ 300mm × 150 〜 300mm
分岐形状 メカ挿し口
40°・90°挿し口(分岐呼び径150mm除く)
呼び径 350 ~ 600mm ×350 ~ 600mm
分岐形状 NS挿受口
※350mm以上は市販のNS形異形管をご利用ください。
※補強金具が不要の場合はRVKSをご利用ください。
※写真はメカ挿し口です。
特長
- 製品全体で分岐方向3DkNの離脱防止力を有しています。(耐震型のみ)
- コンパクトな形状で穿孔機の小型化を実現しています。
- 浅層埋設にも対応しています。(回転式簡易弁を採用しバルブ高が低い)
仕様
|
呼び径
|
L
|
L1
|
H
|
P
|
S
|
S1
|
S2
|
S4
|
T頭ボルト・ナット
|
|---|---|---|---|---|---|---|---|---|---|
|
200×150
|
442
|
598
|
348
|
444
|
783.0
|
-
|
-
|
104
|
8-M20×100
|
|
200×200
|
442
|
598
|
348
|
444
|
727.0
|
-
|
-
|
104
|
8-M20×100
|
|
200×200×45°
|
442
|
598
|
348
|
444
|
-
|
580
|
336
|
104
|
8-M20×100
|
|
200×200×90°
|
442
|
598
|
348
|
444
|
-
|
690
|
450
|
104
|
8-M20×100
|
|
250×200
|
529
|
682
|
358
|
479
|
815.0
|
ー
|
ー
|
109
|
12-M20×100
|
|
250×250
|
529
|
682
|
358
|
479
|
805.0
|
ー
|
ー
|
109
|
12-M20×100
|
|
250×250×45°
|
529
|
682
|
358
|
479
|
ー
|
630
|
355
|
109
|
12-M20×100
|
|
250×250×90°
|
529
|
682
|
358
|
479
|
ー
|
770
|
492
|
109
|
12-M20×100
|
|
300×250
|
580
|
740
|
384
|
527
|
833.5
|
ー
|
ー
|
110
|
12-M20×100
|
|
300×300
|
580
|
740
|
384
|
527
|
824.5
|
ー
|
ー
|
110
|
12-M20×100
|
|
300×300×45°
|
580
|
740
|
384
|
527
|
-
|
675
|
395
|
110
|
12-M20×100
|
|
300×300×90°
|
580
|
740
|
384
|
527
|
-
|
785
|
506
|
110
|
12-M20×100
|
|
350×350
|
-
|
650
|
416
|
600
|
475.0
|
-
|
-
|
130
|
16-M20×100
|
|
400×400
|
-
|
700
|
444
|
652
|
500.0
|
-
|
-
|
130
|
16-M20×100
|
|
450×450
|
-
|
760
|
470
|
711
|
550.0
|
-
|
-
|
145
|
20-M20×100
|
|
500×500
|
-
|
800
|
497
|
766
|
600.0
|
-
|
-
|
154
|
20-M20×100
|
|
600×600
|
-
|
980
|
576
|
888
|
650.0
|
-
|
-
|
180
|
24-M24×120
|
← スクロールでご確認頂けます →
※T頭ボルトナット:SUS403ボルト



