水道配水用ポリエチレン管×フランジ付異形管用 片フランジ継手管 Pメカフランジ
PF ・ PFR
- 適用管種:
- 水道配水用ポリエチレン管
- 呼び径:
- PF:50~250mm/PFR:75~200mm×50~150mm
概要
【POLITEC規格品(呼び径250mm除く)PTC G 30】
水道配水用ポリエチレン管とフランジ付異形管を接続する片フランジ継手です。
※標準はRFです。
<型式について>
・PF :同径管用
・PFR:片落管用
類似製品との使い分け
- 両受の場合はPE継輪をご使用ください。
特長
- 管と同等以上の接合強度
- 高い水密性
- 容易な施工
構成
- 水道配水用ポリエチレン管との接合型式は、押輪、爪、インナーコア、ゴム輪、T頭ボルトを用いたメカニカルジョイント形式で、
接合部は離脱防止機能を有しています。
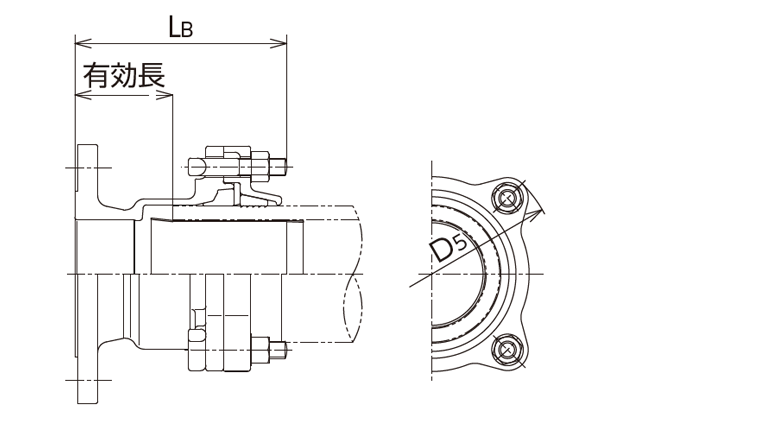
仕様
|
呼び径
|
D5
|
LB
|
有効長
|
質量(kg)
|
型式
|
|---|---|---|---|---|---|
|
50
|
168
|
196
|
86.5
|
6.0
|
PF
|
|
75
|
200
|
196
|
93.0
|
10.1
|
PF
|
|
100
|
235
|
196
|
90.0
|
13.7
|
PF
|
|
150
|
290
|
207
|
90.0
|
21.1
|
PF
|
|
200
|
387
|
261
|
132.0
|
37.0
|
PF
|
|
250
|
460
|
332
|
181.0
|
58.5
|
PF
|
|
75×50
|
168
|
196
|
86.5
|
9.4
|
PFR
|
|
100×75
|
200
|
197
|
94.0
|
12.2
|
PFR
|
|
150×100
|
235
|
200
|
94.0
|
18.0
|
PFR
|
|
200×150
|
290
|
211
|
94.0
|
28.9
|
PFR
|
← スクロールでご確認頂けます →



