概要
離脱防止押輪GX形継ぎ輪用(CMGX)は、 GX形ダクタイル鋳鉄管用継ぎ輪に取付け、
水圧による不平均力に対する一体化長さ内での結び配管などに使用する離脱防止押輪です。
また、地震などによる大きな力が働いた時は、爪が滑りGX形継手の伸縮機能を発揮する特長があります。
従って、最終的な離脱については、GX形継手の離脱防止機構により阻止します。
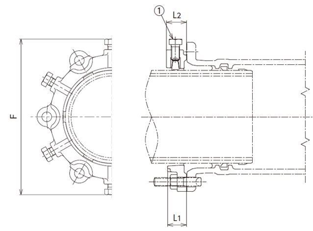
離脱防止押輪CMGXは、本体の溝部に爪固定ゴムにより取付けられた弓形爪を押しボルトで管に締付けます。
また、従来の離脱防止押輪の爪の刃は一本ですが、CMGXの爪は二本になっています。
類似製品との使い分け
- K形管かつ離脱防止性能級の場合は、スーパーホールドをご使用ください。
- K形管かつ離脱防止性能B級の場合は、離脱防止押輪 全周型をご使用ください。
- コスト面(スラストブロックと比較)で選ぶ場合は、離脱防止押輪 ワイド型をご検討ください。
- 既設管には、二つ割離脱防止押輪(CMB-2LB(75~800mm)、CMA-2LB(900~1500mm))をご使用ください。
- NS形管の場合は、二つ割離脱防止押輪NS形継ぎ輪用をご使用ください。
特長
- 地震時に大きな力が作用した時には、ロックリング機能により3DkNに耐えることが可能です
- 抜出し時に各部品が破損せず管を損傷させません
- 地震で動いた後も水圧0.75MPaで動かず漏水しません
構成
- 抜け出し力が働くと、弓形爪が押ボルト先端を支点として傾き、刃先が管の外面に喰い込み離脱を防止します。
- 不平均力に対して継手部は伸縮せず、地震時に大きな力が作用した時には継手部が伸縮し、
最終的には耐震管の挿し口突部とロックリングの引掛かりにより3DkNに耐えることが出来ます。 - 従来の離脱防止押輪の爪の刃は一本ですが、CMGXの爪は二本になっています。
仕様
|
呼び径
|
F
|
L1
|
L2
|
①押しボルト
|
所定水圧(MPa)
|
曲げ角度(度)
|
本体質量(kg)
|
|---|---|---|---|---|---|---|---|
|
75
|
233.0
|
38
|
42.0
|
4-M20×38
|
2.50
|
4°00′
|
3.9
|
|
100
|
260.0
|
40
|
43.0
|
4-M20×38
|
2.50
|
4°00′
|
4.8
|
|
150
|
313.0
|
44
|
46.5
|
6-M20×38
|
2.50
|
4°00′
|
7.4
|
|
200
|
368.0
|
45
|
47.5
|
6-M20×38
|
2.50
|
4°00′
|
9.4
|
|
250
|
419.6
|
45
|
48.0
|
8-M20×38
|
2.50
|
4°00′
|
11.6
|
|
300
|
466.8
|
50
|
50.0
|
8-M20×38
|
2.20
|
4°00′
|
15.1
|
|
350
|
524.0
|
65
|
65.0
|
10-M20×38
|
1.75
|
4°00′
|
22.3
|
|
400
|
579.6
|
65
|
65.0
|
12-M20×38
|
1.60
|
4°00′
|
25.9
|
|
450
|
626.8
|
65
|
65.0
|
12-M20×38
|
1.50
|
4°00′
|
27.0
|
← スクロールでご確認頂けます →
技術資料
- 取扱説明書
- 75~450mm



