概要
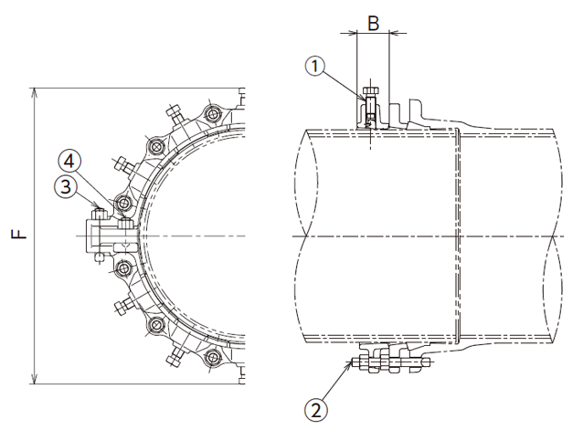
二つ割離脱防止押輪(CMB-2)の離脱防止機構は、割り押輪単体夫々の接合用ポルト孔相互間に設けられており、CMBと同様に、押しボルトと、
これを保持するハウジング部及び押しポルト先端部に内蔵された刃を有するワイドな爪とにより構成されています。また、管体接触部の爪は、
CMBと同様ワイドな爪で、その爪部が管の外径に均ーに接触する弧状のものです。この爪は、規定トルクによる初期締付け時にも、また、
水圧が作用しても一定以上管体に喰い込まない設計になっています(CMA-2は皿ばね状の弓形爪)。
類似製品との使い分け
- GX形管の場合は、GX形管継ぎ輪用 をご使用ください。
- K形管かつ離脱防止性能A級の場合は、スーパーホールド をご使用ください。
- K形管かつ離脱防止性能B級の場合は、離脱防止押輪全周型 をご使用ください。
- NS形管の場合は、離脱防止押輪NS形継ぎ輪用 をご使用ください。
- インロー管にご使用の場合は、耐震型二重防護金具A・K形管用をご使用ください。
特長
- ワイドな爪で一定深さ以上管へ食い込まない (CMA-2LBは皿ばね状の弓形状)
構成
- 接合部との整合性
CMB-2LB・CMA-2LBの構造は、K形接合部と同等な形状・寸法の押輪に、離脱防止機能機構を具備した製品で、
十分な整合性を有しています。 - 離脱防止機構
CMB-2LBの離脱防止機構は、割り押輪本体の接合用ボルト孔相互間に設けられており、これを保持するハウジング部及び
押しボルト先端部に内蔵された刃を有するワイドな爪とにより構成されています。
CMA-2LBの離脱防止機構は、CMAと同様の皿ばね状の弓形爪を使用し、大きな離脱防止力を保持できる構造になっています。
- 管体接触部
CMB-2LBは、CMBと同様のワイドな爪で、接触する弧状の物です。この爪は、規定トルクによる初期締め付け時にも、
また水圧が作用しても一定以上管体へ喰い込まない設計になっています。
CMA-2LBの管体接触部の弓形爪の刃先は、CMAと同様に管の外径に均一に接触するものです。
仕様
|
呼び径
|
F
|
B
|
①押しボルト
|
②T頭ボルト
|
③T頭ボルト
|
④T頭ボルト
|
許容水圧(MPa)
|
組質量(kg)
|
|---|---|---|---|---|---|---|---|---|
|
75
|
258
|
60
|
2-M20×51
|
4-M16×125×90
|
2-M20×90
|
ー
|
3.0
|
4.9
|
|
100
|
295
|
60
|
2-M20×55
|
4-M20×140×105
|
2-M20×90
|
ー
|
3.0
|
6.5
|
|
150
|
346
|
60
|
4-M20×55
|
6-M20×140×105
|
2-M20×90
|
ー
|
3.0
|
9.9
|
|
200
|
402
|
60
|
4-M20×55
|
6-M20×140×105
|
2-M20×90
|
ー
|
2.0
|
11.7
|
|
250
|
454
|
60
|
4-M20×55
|
8-M20×140×105
|
2-M20×90
|
ー
|
1.7
|
14.1
|
|
300
|
505
|
61
|
4-M20×55
|
8-M20×150×115
|
2-M20×100
|
ー
|
1.4
|
16.6
|
|
350
|
556
|
62
|
8-M20×55
|
10-M20×150×115
|
2-M24×120
|
ー
|
1.3
|
23.5
|
|
400
|
616
|
66
|
10-M22×59
|
12-M20×150×115
|
2-M24×120
|
ー
|
1.3
|
25.5
|
|
450
|
667
|
71
|
10-M22×59
|
12-M20×170×125
|
2-M20×100
|
2-M20×56
|
1.2
|
38.2
|
|
500
|
718
|
71
|
12-M22×59
|
14-M20×170×125
|
2-M20×100
|
2-M20×56
|
1.2
|
39.9
|
|
600
|
821
|
72
|
12-M22×59
|
14-M20×170×125
|
2-M20×100
|
2-M20×56
|
1.0
|
47.5
|
|
700
|
951
|
85
|
14-M22×71
|
16-M24×180×125
|
4-M20×110
|
2-M20×56
|
0.9
|
70.4
|
|
800
|
1054
|
88
|
18-M22×71
|
20-M24×180×125
|
4-M20×110
|
2-M20×56
|
0.9
|
84.2
|
|
900
|
1187
|
105
|
16-M24×75
|
20-M30×220×175
|
4-M30×130
|
2-M20×56
|
0.9
|
142.2
|
|
1000
|
1291
|
110
|
16-M24×75
|
20-M30×220×175
|
4-M30×130
|
2-M20×56
|
0.75
|
166.4
|
|
1100
|
1394
|
115
|
20-M24×75
|
24-M30×220×175
|
4-M30×140
|
2-M20×56
|
0.65
|
181.4
|
|
1200
|
1498
|
120
|
24-M24×75
|
28-M30×220×175
|
4-M30×140
|
2-M20×56
|
0.6
|
210.2
|
|
1350
|
1652
|
130
|
24-M24×75
|
28-M30×235×175
|
4-M30×150
|
2-M20×56
|
0.5
|
260.0
|
|
1500
|
1808
|
130
|
24-M24×75
|
28-M30×235×175
|
4-M30×150
|
2-M20×56
|
0.4
|
292.8
|
← スクロールでご確認頂けます →



